productbanner1
productbanner2
productbanner4
productbanner3
当前所在位置: 首页 » 产品中心 » EMC/EMI滤波器 » 交流三相四线电源滤波器 » 高性能三相四线电源滤波器

屏蔽房专用滤波器

loading

分享到:

高性能三相四线电源滤波器

  • TS4100

状态:
数量:

应用

通用四线滤波

UPS

大功率办公设备

包括自动化设备的装置

大型计算机系统

技术参数

额定电压250/440VAC
工作频率50/60Hz
额定电流6A~600A
耐压试验:(一分钟)Line to Line 1450VDC
Line to Ground 2700VDC
Line to Neutral 1450VDC
气候类别HPF25/085/21


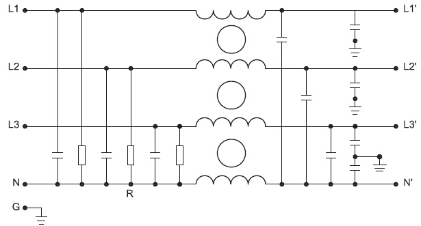
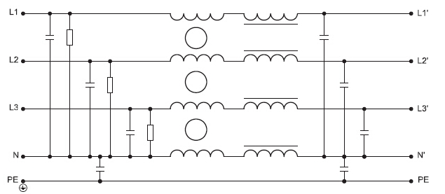
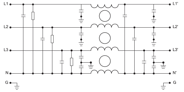
电原理图

TS4100(6-150A)

TS4120(200A)

TS4200(300-600A)

型号 额定电流 (A) 额定电压 (V) 漏电流 (mA)
TS4100-6-01 6 250/440 1.5
TS4100-10-01 10 250/440 1.5
TS4100-20-06 20 250/440 2.5
TS4100-30-06 30 250/440 2.5
TS4100-40-06 40 250/440 2.5
TS4100-50-06 50 250/440 2.5
TS4100-80-06 80 250/440 2.5
TS4100-100-06 100 250/440 2.5
TS4100-150-06 150 250/440 10
TS4120-200-06 150 250/440 10
TS4200-300-90 300 250/440 10
TS4200-400-90 400 250/440 10
TS4200-500-90 500 250/440 10
TS4200-600-90 600 250/440 10


上一条: 
下一条: 

快速链接

产品分类

版权所有 © 2020 江苏天晟电磁兼容技术有限公司  备案证书号:苏ICP备2020060146号
在线反馈