productbanner1
productbanner2
productbanner4
productbanner3
当前所在位置: 首页 » 产品中心 » EMC/EMI滤波器 » 变频器滤波器 » 输出端用变频器滤波器

屏蔽房专用滤波器

loading

分享到:

输出端用变频器滤波器

  • TS3400

状态:
数量:

应用

变频器和变频器

UPS,AMPS,三相电动机驱动器

技术参数

额定电压250/440/480VAC
工作频率50/60Hz
额定电流5A~1200A
耐压试验:(一分钟)Line to Line 1450VDC
Line to Ground 2700VDC
气候类别HPF25/085/21


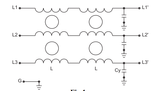
电原理图

型号 额定电流 (A) 额定电压 (V) 漏电流 (mA)
TS3400-45-06 45 250/440/480 5
TS3400-75-06 75 250/440/480 10
TS3400-100-06 100 250/440/480 10
TS3400-120-06 120 250/440/480 10
TS3400-150-06 150 250/440/480 20
TS3400-200-06 200 250/440/480 20
TS3400-300-90 300 250/440/480 35
TS3400-400-90 400 250/440/480 35
TS3400-500-90 500 250/440/480 35
TS3400-630-90 630 250/440/480 35
TS3400-800-90 800 250/440/480 65
TS3400-1200-90 1200 250/440/480 65


上一条: 
下一条: 

快速链接

产品分类

版权所有 © 2020 江苏天晟电磁兼容技术有限公司  备案证书号:苏ICP备2020060146号
在线反馈