productbanner1
productbanner2
productbanner4
productbanner3
当前所在位置: 首页 » 产品中心 » EMC/EMI滤波器 » 变频器滤波器 » 输入端用变频器滤波器

屏蔽房专用滤波器

loading

分享到:

输入端用变频器滤波器

  • TS3300

状态:
数量:

应用

高干扰的工业环境

三相变速电动机驱动器,动力驱动系统(PDS)

逆变器和转换器

能源转换设备的应用

过程自动化设备

暖通空调设备,电梯,电源,UPS和其他三相应用

技术参数

额定电压250/440/480VAC
工作频率50/60Hz
额定电流5A~1200A
耐压试验:(一分钟)Line to Line 1450VDC
Line to Ground 2700VDC
气候类别HPF25/085/21
漏电流(最大值) Line to ground@250VAC 50Hz


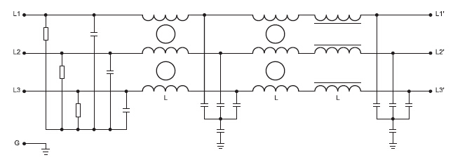
电原理图

型号 额定电流 (A) 额定电压 (V) 漏电流 (mA)
TS3300-5-06 5 250/440/480 5
TS3300-8-06 8 250/440/480 5
TS3300-16-06 16 250/440/480 5
TS3300-30-06 30 250/440/480 5
TS3300-45-06 45 250/440/480 5
TS3300-75-06 75 250/440/480 10
TS3300-100-06 100 250/440/480 10
TS3300-120-06 120 250/440/480 10
TS3300-150-06 150 250/440/480 20
TS3300-200-06 200 250/440/480 20
TS3300-300-90 300 250/440/480 35
TS3300-400-90 400 250/440/480 35
TS3300-500-90 500 250/440/480 35
TS3300-630-90 630 250/440/480 35
TS3300-800-90 800 250/440/480 65
TS3300-1200-90 1200 250/440/480 65


上一条: 
下一条: 

快速链接

产品分类

版权所有 © 2020 江苏天晟电磁兼容技术有限公司  备案证书号:苏ICP备2020060146号
在线反馈