productbanner1
productbanner2
productbanner4
productbanner3
当前所在位置: 首页 » 产品中心 » EMC/EMI滤波器 » 交流三相三线电源滤波器 » 三相三线电源滤波器

屏蔽房专用滤波器

loading

分享到:

三相三线电源滤波器

  • TS3000

状态:
数量:

应用

通用三相滤波

三相电动机驱动器

逆变器和转换器

UPS和SMPS

工业自动化设备

技术参数

额定电压250/440VAC
工作频率50/60Hz
额定电流6A~10A
耐压试验:(一分钟)Line to Line 1450VDC
Line to Ground 2700VDC
气候类别HPF25/085/21


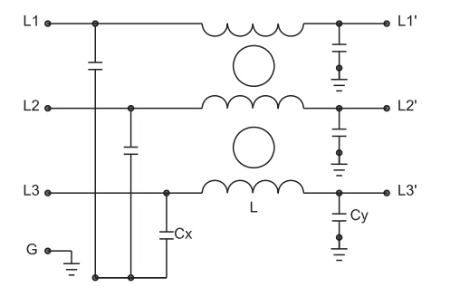
电原理图

型号 额定电流 (A) 额定电压 (V) 漏电流 (mA)
TS3000-6-01 6 250/440 1.5
TS3000-10-01 10 250/440 1.5
TS3000-6-03 6 250/440 1.5
TS3000-10-03 10 250/440 1.5
TS3100-6-01 6 275/480 2.5
TS3100-10-01 10 275/480 2.5
TS3100-20-06 20 275/480 2.5
TS3100-30-06 30 275/480 2.5
TS3100-40-06 40 275/480 2.5
TS3100-50-06 50 275/480 2.5
TS3100-80-06 80 275/480 2.5
TS3100-100-06 100 275/480 2.5
TS3100-150-06 150 275/480 6
TS3100-500-06 200 275/480 6


上一条: 
下一条: 

快速链接

产品分类

版权所有 © 2020 江苏天晟电磁兼容技术有限公司  备案证书号:苏ICP备2020060146号
在线反馈