productbanner1
productbanner2
productbanner4
productbanner3
当前所在位置: 首页 » 产品中心 » EMC/EMI滤波器 » 交流三相三线电源滤波器 » 端子连接三相电源滤波器

屏蔽房专用滤波器

loading

分享到:

端子连接三相电源滤波器

  • TS3800

状态:
数量:

应用

三相变速电动机驱动器,动力驱动系统(PDS)

电机驱动器和伺服驱动器

电梯,晶闸管驱动器,数控机床和起重机

包括电源转换设备的工业应用,如机械,机床和过程自动化设备

暖通空调设备,电梯,电源,UPS和其他三相应用

技术参数

额定电压275/480VAC
工作频率50/60Hz
额定电流1A~250A
耐压试验:(一分钟)Line to Line 1450VDC
Line to Ground 2700VDC
气候类别HPF20/100/21


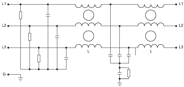
电原理图

型号 额定电流 (A) 额定电压 (V) 漏电流 (mA)
TS3800-8-60 8 275/480 33
TS3800-16-60 16 275/480 33
TS3800-30-60 30 275/480 33
TS3800-42-60 42 275/480 33
TS3800-55-60 55 275/480 33
PR3800-75-60 75 275/480 33
TS3800-100-60 100 275/480 33
TS3800-130-60 130 275/480 33
TS3800-180-60 180 275/480 33


上一条: 
下一条: 

快速链接

产品分类

版权所有 © 2020 江苏天晟电磁兼容技术有限公司  备案证书号:苏ICP备2020060146号
在线反馈